Opis
Blok przygotowania powietrza ACL G1/4
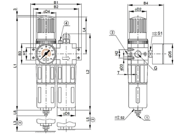
Zespół przygotowania powietrza ACL w rozmiarze G1/4 składa się z trzech głównych elementów: filtra, reduktora ciśnienia oraz smarownicy. Zintegrowana konstrukcja pozwala na uzdatnianie sprężonego powietrza poprzez usunięcie zanieczyszczeń, ustabilizowanie ciśnienia oraz podanie mgły olejowej do linii pneumatycznej.
Obudowa wykonana z aluminium oraz zbiorniki z poliwęglanu zapewniają trwałość i odporność na warunki przemysłowe. Produkt przeznaczony jest do stosowania w standardowych układach pneumatycznych, gdzie wymagane jest kompleksowe przygotowanie sprężonego powietrza.
Charakterystyka:
- Trzyfunkcyjny zespół: filtr, reduktor i smarownica
- Przezroczyste zbiorniki z zabezpieczeniem
- Ręczny spust kondensatu
- Manometr w zestawie
Zastosowanie:
Stosowany w instalacjach pneumatycznych maszyn i urządzeń przemysłowych, gdzie wymagane jest jednoczesne filtrowanie, redukcja ciśnienia i smarowanie medium roboczego.
Dane techniczne:
| Parametr | Wartość |
|---|---|
| Gwint przyłączeniowy | G1/4 |
| Zakres ciśnienia | 0,5 – 12 bar |
| Temperatura pracy | do +60°C |
| Stopień filtracji | 5 µm |
| Materiał obudowy | Aluminium |
| Materiał zbiorników | Poliwęglan |
| Spust kondensatu | Ręczny |
| Smarownica | Tak |
| Manometr | Tak |
| L5 | 100 mm |
| S2 | 22 mm |
| Średnica D6 | 38 mm |
| Średnica D5 | 41 mm |
| Średnica D4 | M36 × 1 |
| B6 | 64 mm |
| B5 | 52 mm |
| Średnica D3 | M4 |
| S1 | 14 mm |
| B4 | 76 mm |
| B3 | 40 mm |
| L4 | 69 mm |
| L8 | 15 mm |
| L3 | 60 mm |
| B2 | 92 mm |
| B1 | 104 mm |
| H2 | 11 mm |
| L2 | 169 mm |
| H1 | 20 mm |
| T | 7 mm |
| L1 | 139 mm |
| Średnica D2 | 31 mm |
Informacje dodatkowe
| Waga | 1,0 kg |
|---|















Opinie
Na razie nie ma opinii o produkcie.