Opis
Siłownik ISO 21287 D25 z prowadzeniem
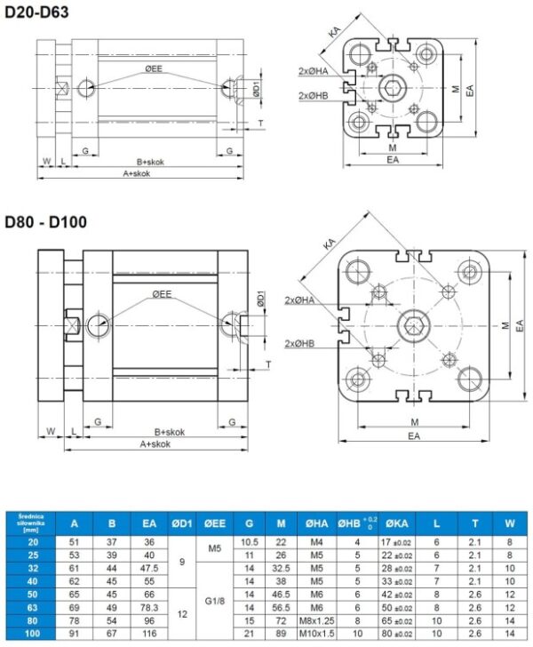
Siłownik zgodny z normą ISO 21287, wyposażony w prowadzenie tłoczyska oraz zintegrowany magnes umożliwiający współpracę z czujnikami położenia. Tłoczysko zostało dodatkowo zabezpieczone przed obrotem, co zwiększa precyzję pracy w układach sterowania ruchem.
Korpus siłownika wykonano z anodowanego aluminium, a pokrywy z aluminium odlewanego ciśnieniowo. W połączeniu z tłoczyskiem ze stali CK45 i uszczelnieniami PU/NBR tworzy trwałą i odporną na warunki zewnętrzne konstrukcję.
Charakterystyka:
- Prowadzenie tłoczyska i zabezpieczenie przed obrotem
- Magnes w tłoku – możliwość stosowania czujników położenia
- Konstrukcja zgodna z normą ISO 21287
- Obudowa z anodowanego aluminium
Zastosowanie:
Stosowany w mechanizmach pozycjonujących, systemach pakujących i automatyce przemysłowej, gdzie wymagane jest prowadzenie tłoczyska oraz możliwość monitorowania położenia.
Dane techniczne:
| Norma wykonania | ISO 21287 |
| Średnica tłoka | 25 mm |
| Zabezpieczenie przed obrotem | Tak |
| Amortyzacja | Elastyczne zderzaki |
| Ciśnienie robocze | 1 – 10 bar |
| Temperatura pracy | -20°C do +70°C |
| Magnes | Tak |
| Materiał | Aluminium anodowane / Aluminium odlewane ciśnieniowo / Stal chromowana CK45 / Poliuretan PU/NBR |
Informacje dodatkowe
| Waga | 1,0 kg |
|---|---|
| Skok [mm]: | 5, 10, 15, 20, 25, 30, 35, 40, 45, 50, 55, 60, 65, 70, 75, 80, 85, 90, 95, 100, 110, 120, 130, 140, 150, 160, 170, 180, 190, 200, 210, 220, 230, 240, 250, 260, 270, 280, 290, 300, 310, 320, 330, 340, 350, 360, 370, 380, 390, 400, 410, 420, 430, 440, 450, 460, 470, 480, 490, 500, 510, 520, 530, 540, 550, 560, 570, 580, 590, 600, 610, 620, 630, 640, 650, 660, 670, 680, 690, 700, 710, 720, 730, 740, 750, 760, 770, 780, 790, 800, 810, 820, 830, 840, 850, 860, 870, 880, 890, 900, 910, 920, 930, 940, 950, 960, 970, 980, 990, 1000 |















Opinie
Na razie nie ma opinii o produkcie.