Opis
Zawór redukcyjny AR G3/8
Zawór redukcyjny serii służy do ręcznej regulacji ciśnienia sprężonego powietrza w układach pneumatycznych. Utrzymuje zadane ciśnienie niezależnie od wahań po stronie zasilania i może być stosowany jako niezależny element lub część bloku przygotowania powietrza.
Konstrukcja zaworu umożliwia stabilną i dokładną regulację dzięki zastosowaniu pokrętła z blokadą oraz membrany NBR. Obudowa wykonana jest z aluminium, co zapewnia odporność na warunki przemysłowe.
Charakterystyka:
- Ręczna regulacja ciśnienia wyjściowego
- Stabilna praca przy zmiennym ciśnieniu wejściowym
- Kompaktowy format do zastosowania w blokach
- Typowe zastosowanie w systemach automatyki przemysłowej
Zastosowanie:
Wykorzystywany w systemach sprężonego powietrza do precyzyjnej kontroli ciśnienia zasilającego elementy wykonawcze. Stosowany w instalacjach przemysłowych, automatyce maszyn oraz w zespołach przygotowania powietrza.
Dane techniczne:
| Parametr | Wartość |
|---|---|
| Medium robocze | Sprężone powietrze, neutralne gazy |
| Ciśnienie wejściowe | 1 – 16 bar |
| Zakres regulacji ciśnienia | 0.5 – 12 bar |
| Temperatura pracy | do +60°C |
| Gwint przyłączeniowy | G3/8 |
| Materiał korpusu | Aluminium |
| Materiał pokrętła | Tworzywo sztuczne |
| Uszczelnienia | NBR |
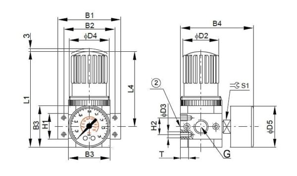
| Średnica D2 | 31 mm |
| L1 | 89 mm |
| T | 7 mm |
| H1 | 20 mm |
| H2 | 11 mm |
| B1 | 70 mm |
| B2 | 52 mm |
| L4 | 69 mm |
| B3 | 40 mm |
| B4 | 76 mm |
| S1 | 14 mm |
| Średnica D3 | M4 |
| Średnica D4 | M36 × 1,5 |
| Średnica D5 | 41 mm |
Informacje dodatkowe
| Waga | 0,5 kg |
|---|















Opinie
Na razie nie ma opinii o produkcie.