PNEUER

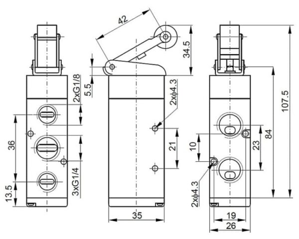
Zawór sterowany dźwignią z rolką 5/2 G1/4

312,57 

...

Zawór sterowany dźwignią z rolką 5/2 G1/4 – Mechaniczny zawór 5-drogowy, 2-położeniowy przeznaczony do bezpośredniego sterowania sprężonym powietrzem w układach automatyki. Obsługiwany przez ruch elementu mechanicznego, z samopowrotem do pozycji wyjściowej dzięki sprężynie.

Na stanie — czas realizacji 24–48h

SKU: JLW510RB Kategoria:

Opis

Zawór sterowany dźwignią z rolką 5/2 G1/4

Zawór mechaniczny 5/2 z dźwignią zakończoną rolką przeznaczony jest do sterowania kierunkiem przepływu sprężonego powietrza w instalacjach pneumatycznych. Umożliwia zmianę położenia elementów wykonawczych, takich jak siłowniki dwustronnego działania, w odpowiedzi na kontakt z elementem ruchomym maszyny. Uruchomienie następuje przez bezpośrednie mechaniczne dociśnięcie rolki, a powrót do stanu początkowego realizowany jest przez sprężynę.

Model ten znajduje zastosowanie w układach automatycznego sterowania, gdzie pełni rolę krańcówki lub elementu wyzwalającego cykl pracy. Montowany bezpośrednio w maszynach, umożliwia prostą integrację i działanie bez konieczności zewnętrznego zasilania elektrycznego czy sterownika PLC.

  • Mechaniczne uruchamianie przez elementy ruchome
  • Praca w konfiguracji 5/2 z dwoma stabilnymi stanami
  • Obsługa siłowników dwustronnego działania
  • Samopowrót dzięki sprężynie
  • Montowany bezpośrednio na konstrukcji lub płycie

Stosowany w automatyce przemysłowej, maszynach specjalnych i prostych układach logicznych do potwierdzenia pozycji lub inicjowania kolejnych etapów cyklu roboczego.

Parametr Wartość
Typ zaworu 5/2 bistabilny
Gwint przyłączy G1/4
Materiał korpusu Aluminium anodowane
Uszczelnienia NBR, tworzywo sztuczne
Ciśnienie pracy 0–8 bar
Zakres temperatur 0°C do +60°C
Medium robocze Sprężone powietrze filtrowane, smarowane lub niesmarowane
Przepływ 875 l/min

Informacje dodatkowe

Waga 1,0 kg

Opinie

Na razie nie ma opinii o produkcie.

Napisz pierwszą opinię o „Zawór sterowany dźwignią z rolką 5/2 G1/4”

Twój adres e-mail nie zostanie opublikowany. Wymagane pola są oznaczone *