Opis
Ucho skośne ISO 15552 D125
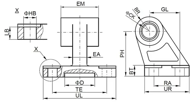
Ucho skośne w standardzie ISO 15552, oznaczone jako typ US, przeznaczone jest do montażu na tylnej pokrywie siłownika. Stosowane jest jako część zestawu mocującego w instalacjach pneumatycznych, gdzie wymagane jest połączenie przegubowe umożliwiające ruch siłownika względem konstrukcji.
Element ten może być łączony z końcówką widełkową i sworzniem, tworząc tzw. kompletne ucho skośne. Taka konfiguracja pozwala na pewne i elastyczne mocowanie siłownika w aplikacjach przemysłowych, gdzie wymagane jest zarówno bezpieczeństwo, jak i kompaktowość rozwiązania.
- Mocowanie tylne do siłowników ISO 15552
- Typ US – ucho skośne, do montażu przegubowego
- Przeznaczone do współpracy ze sworzniem i końcówką widełkową
- Montaż przy pomocy śrub gwintowanych
- Wysoka trwałość dzięki aluminiowemu odlewowi ciśnieniowemu
Stosowane w instalacjach, gdzie wymagane jest ruchome połączenie siłownika z ramą urządzenia, przy jednoczesnym zachowaniu wytrzymałości konstrukcji.
| Parametr | Wartość |
|---|---|
| Norma | ISO 15552 |
| Typ mocowania | Ucho skośne (US) |
| Średnica siłownika | D125 |
| Materiał | Aluminium, odlew ciśnieniowy |
| Śruby mocujące | Stal |
Informacje dodatkowe
| Waga | 0,2 kg |
|---|









Opinie
Na razie nie ma opinii o produkcie.